日本电子维修技术 Iphone6 指南针无法使用简单维修



今天客户送来了一台IPHONE 6说指南针无法使用收下首先 把机子打开稍微看了一下状况

61.jpg (78.56 KB, 下载次数: 0)

下载附件  保存到相册

2017-6-24 21:45 上传


一打开就看到紅点的试纸进水了

63.jpg (87.88 KB, 下载次数: 1)

下载附件  保存到相册

2017-6-24 21:45 上传


花点时间取下主板

65.jpg (63.6 KB, 下载次数: 0)

下载附件  保存到相册

2017-6-24 21:45 上传


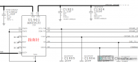
PP1V8_OSCAR跟PP3V0_IMU

IMG_0920.jpg (99.82 KB, 下载次数: 1)

下载附件  保存到相册

2017-6-24 21:45 上传


PP1V8_OSCAR正常

IMG_0919.jpg (84 KB, 下载次数: 2)

下载附件  保存到相册

2017-6-24 21:45 上传


PP3V0_IMU 供电非常低

IMG_0921.jpg (77.91 KB, 下载次数: 2)

下载附件  保存到相册

2017-6-24 21:46 上传


测了一下同一路的滤波电容,对地值为0
果l断就先拆了那两个滤波电容后对地值恢復正常

16509527660027838665 (2).jpg (25.62 KB, 下载次数: 2)

下载附件  保存到相册

2017-6-24 22:30 上传


装机上电测试功能正常使用维修结束

14489552941327782115.jpg (41.6 KB, 下载次数: 1)

下载附件  保存到相册

2017-6-24 22:30 上传







评论
我只会修笔记本,还不会修手机,但我也会关注手机的,分享的有图有方向,值得学习。PP3V0_IMU短路了,能开机进系统,就是不能用指南针吧?

评论

对的,可以开机的但是指南针是无法使用的

评论
一看就是老师傅了,没有先去换芯片,而是先测量条件

评论
果然是简单维修,电容短路的确实很多

评论
短路电流没看出来么

评论
电容短路的挺多呀

评论
修手机最主要的就是手工啊!思路也必须的清晰啊!

评论
修手机最主要的就是手工啊!思路也必须的清晰啊!

评论

一般问题手工占重,疑难问题理论占比重。

评论
技术不好 碰到过  不敢搞

评论
你的万用表好贵,我的万用表坏了,测电压偏高很多,想买一个好用的,可是你这个太贵了 电路 电子 维修 我现在把定影部分拆出来了。想换下滚,因为卡纸。但是我发现灯管挡住了。拆不了。不会拆。论坛里的高手拆解过吗? 评论 认真看,认真瞧。果然有收 电路 电子 维修 求创维42c08RD电路图 评论 电视的图纸很少见 评论 电视的图纸很少见 评论 创维的图纸你要说 版号,不然无能为力 评论 板号5800-p42ALM-0050 168P-P42CLM-01
 ·日本中文新闻 日本26年新成人预估仅109万 与去年并列历史第二低
·日本中文新闻 日本皇居新年参贺突发裸奔事件 男子涉公然猥亵被捕
·日本中文新闻 印度宣布超越日本成为全球第四大经济体
·日本留学生活 在熟悉的城市,遇見不一樣的感受
·日本留学生活 求购一些水电燃气话费等公共料金请求书
·日本华人网络交流 制造信息垃圾的产业,这种现象在日本尤其普遍。
·日本华人网络交流 美军入侵 委内瑞拉领空 并非零伤亡
·日本华人网络交流 年末采购食品,恰时间就能全半价。
 ·中文新闻 马丁·克鲁内斯 (Martin Clunes) 在新剧中变身休·爱德华兹 (Huw Edw
·中文新闻 当朋友们讲述他们对他们的阴谋感到震惊以及他们如何向他们隐

维修经验

CPUcpu-z 1.77版低调发布

日本维修技术更新: New benchmark “submit and compare” feature New clocks dialog reporting all system’s clock speeds in real-time Preliminary support for Intel Kaby Lake AMD Bristol Ridge processors 主要是增加了支持I、A两个新架构的 ...

维修经验

CPU这几天经常开机黑屏,热重启后又正常

日本维修技术这几天经常开机黑屏,热重启后又正常,今天热重启也不管用了。折腾半天总算点亮,显示超频失败,以前出这个画面我是不理它的,直接重启就能正常进系统了,今天不敢托大,因为 ...

维修经验

CPU超频求助!关于华擎H170和6700K

日本维修技术问题见楼主的show贴 https://www.chiphell.com/thread-1634895-1-1.html 这次华擎的H170 Hyper最大的特色应该是自带时钟发生器可以自由超外频 可是楼主好久没有折腾超频了。。。 两图中除了CPU外频 以 ...

维修经验

CPU液态金属会侵蚀cpu核心吗?

日本维修技术前阵子看到有人说,液态金属时间长了会侵蚀cpu铜盖,那么问题来了,这货会不会侵蚀核心呢? 评论 这玩意儿好像只对铝起反应 评论 不是说,cpu的盖子是铜的吗。。。 评论 不会,核 ...

维修经验

CPUm6i究竟支不支持e3 1231v3

日本维修技术官网上看支持列表没写有e3 1231v3,装机帖又有人晒,百度也没个明确答案,那究竟能不能点亮?有在用的chher说一下么 评论 升级最新bios肯定可以支持 评论 我的p67evo官网上也没说支持12 ...

维修经验

CPU华擎 HYPER 妖板 正确玩法

日本维修技术600元的 B150,10相供电,释放洪荒之力 注意必须官网 Beta 区的 BIOS 有 AVX 的 CPU 可能会掉缓存 启动时按 X 键激活 SKY OC,重启后进入 BIOS 160924164727.jpg (95.63 KB, 下载次数: 1) 2016-9-24 17:47 上传 ...

维修经验

CPUE5 2686 V3和i7 6800K如何选择

日本维修技术默认用,不超频,两者功耗是一模一样的 E5 2686 V3:2.0主频,3.5睿频, 18核心36线程 ,45M L3 咸鱼大约2500~3000元 i7 6800K : 3.5主频,3.8睿频 ,6核心12线程 ,盒装3000元 评论 性能应该是26 ...

维修经验

CPUHD530硬解4K能力还是有点弱呀!

日本维修技术播放器用PotPlay 64bit,各种优化后,跑4K @120Hz视频只能到70帧左右的速度,勉强能用! 显示器用的4K的优派VP2780 未标题-1.jpg (211.97 KB, 下载次数: 0) 2016-9-26 21:29 上传 评论 这个估计你没优化 ...

维修经验

CPU6900k 1.25V到4.2体质怎么样

日本维修技术如图,体质怎么样,ring是35,没敢试了,都说ring高了毁硬件 评论 不错的U,但不算雕,上4.4就大雕了,这电压上4.5的目前没见有人发图 评论 谢谢前辈告知 评论 我这个用1.2V超的4.2,R ...

维修经验

CPUI3 6100 华擎B150M pro4超4.5g测试。

日本维修技术看看论坛没多少i3 6100的帖子,就转下自己发的show贴里面的数据,给大家参考下。家里还有当年的神U i3 540 oc 4.5G在给老妈用。 不知道数据上正常吗?有6100的朋友可以告诉下,另外是不有 ...

维修经验

CPU7系u会兼容100系主板吗?

日本维修技术RT,听说要推200系板,100系还能用吗以后。。 评论 兼容的 评论 感谢!以后换u就行了,目前消息200系板会有新的特性吗? 评论 24条PCI-E 3.0通道、支持Intel Optane混合存储技术、十个USB 3 ...

维修经验

CPU有心入5820k了,求教下温度问题

日本维修技术一直徘徊在6700k和5820k之间,6700k现在这德行直接把我推向了5820k啊,从2600k升级上来,三大件都要换,现在唯一疑惑的是IB-E ex这种顶级风冷能不能压住4.5g的5820呢?毕竟刚刚买一个多月。 ...

维修经验

CPU6600&6600K才100的差价

日本维修技术太少了吧。。。 6600.JPG (106.91 KB, 下载次数: 0) 2016-10-1 10:30 上传 评论 毕竟只是i5而已…… 评论 上z170 6600也能超,等于没区别,差价能有100已经不错了 评论 然后又见不超频人士推荐超频 ...